Chapter 2 -
Methods of Machine Safeguarding (Page 2)


Safety Trip Controls

Safety trip controls provide a quick means for deactivating the machine in an emergency situation.

A pressure-sensitive body bar, when depressed, will deactivate the machine. If the operator or anyone trips, loses balance, or is drawn toward the machine, applying pressure to the bar will stop the operation. The positioning of the bar, therefore, is critical. It must stop the machine before a part of the employee's body reaches the danger area. Figure 40 shows a pressure-sensitive body bar located on the front of a rubber mill.

Figure 40. Pressure-sensitive body bar on a rubber mill

When pressed by hand, the safety deactivates the machine. Because the triprod has to be actuated by the operator during an emergency situation, its proper position is also critical. Figure 41 shows a triprod located above the rubber mill. Figure 42 shows another application of a triprod.

Figure 41. Safety triprod on a rubber mill.

Figure 42. Safety triprod on a bread proofer machine.

Safety tripwire cables are located around the perimeter of or near the danger area. The operator must be able to reach the cable with either hand to stop the machine. Figure 43 shows a calender equipped with this type of control, while Figure 44 shows a tomato sorter with a safety tripwire cable.

Figure 43. Safety tripwire cable on a calender

Figure 44. Safety tripwire on a tomato sorter

All of these tripwire rods or other safety devices must be manually reset to restart the machine. Simply releasing the tripwire to restart the machine will not ensure that the employee is out of danger when the machine restarts.

Two-Hand Control

The two-hand control requires constant, concurrent pressure by the operator to activate the machine. This kind of control requires a part-revolution clutch, brake, and a brake monitor if used on a power press as shown in Figure 45. With this type of device, the operator's hands are required to be at a safe location (on control buttons) and at a safe distance from the danger area while the machine completes its closing cycle.

Figure 45. Two-hand control buttons on part-revolution clutch power press





Devices

Method Safeguarding Action Advantages May interfere

Photoelectric Machine will not start cycling when the light field is interrupted

When the light field is broken by any part of the operator's body during the cycling

process, immediate machine braking is activated
Can allow freer movement for operator.

Simplicity of use

Used by multiple operators

Provide passerby protection

No adjustment required
Does not protect against mechanical failure

Limited to machines that can be stopped

Radiofrequency (optical) Machine cycling will not start when the capacitance field is interrupted

When the capacitance field is disturbed by any part of the operator's body during the cycling process,

immediate machine braking is activated
Can allow freer movement for operator. Does not protect against mechanical failure

Antennae sensitivity must be properly adjusted; this adjustment must be maintained properly

Limited to machines that can be stopped

Electromechanical Contact bar or probe travels a predetermined distance between the operator and the danger area.

Interruption of this movement prevents the starting of machine cycle.
Can allow access at the point of operation Contact bar or probe must be properly adjusted for each application; this adjustment must be maintained properly

Pullback As the machine begins to cycle, the operator's hands are pulled out of the danger area Eliminates the need for auxiliary barriers or other interference at the danger area Limits movement of operator May obstruct work space around operator

Restraint (holdback) Prevents the operator from reaching into the danger area Little risk of mechanical failure Adjustments must be made for specific operations and for each individual

Requires frequent inspections and regular maintenance

Requires close supervision of the operators's use of the equipment

Limits movement of operator

May obstruct work space

Adjustments must be made for specific operations and each individual

Safety trip controls:

Pressure-sensitive body bar

Safety triprod

Safety tripwire
Stops machine when tripped Simplicity of use All controls must be manually activated

May be difficult to activate controls because of their location

Only protects the operator

May require special fixtures to hold work

May require a machine brake

Two-hand control Concurrent use of both hands is required, preventing the operator from entering the danger area Operator's hands are at a pre- determined location

Operator's hands are free to pick up a new part after first half of cycle is completed
Requires a partial cycle machine with a brake

Some two-handed controls can be rendered unsafe by holding with arm or blocking, thereby permitting one-hand operation

Protects only the operator

Two-hand trip Concurrent use of two hands on separate controls prevents hands from being in danger area when machine cycle starts Operator's hands are away from danger area

Can be adapted to multiple operations

No obstruction to hand feeding

Does not require adjustment for each operation
Operator may try to reach into danger area after tripping machine

Some trips can be rendered unsafe by holding with arm or blocking, thereby permitting one-hand operation

Protects only the operator

May require special fixtures

Gate Provides a barrier between danger area and operator or other personnel Can prevent reaching into or walking into the danger area May require frequent inspection and regular maintenance

May interfere with operator's ability to see the work


Two-Hand Trip

The two-hand trip in Figure 46 requires concurrent application of both the operator's control buttons to activate the machine cycle, after which the hands are free. This device is usually used with machines equipped with full-revolution clutches. The trips must be placed far enough from the point of operation to make it impossible for the operator to move his or her hands from the trip buttons or handles into the point of operation before the first half of the cycle is completed. The distance from the trip button depends upon the speed of the cycle and the band speed constant. Thus the operator's hands are kept far enough away to prevent them from being placed in the danger area prior to the slide/ram or blade reaching the full "down" position.

To be effective, both two-hand controls and trips must be located so that the operator cannot use two hands or one hand and another part of his/her body to trip the machine.

Figure 46. Two-hand control buttons on full-revolution clutch power press.

Gate

A gate is a movable barrier that protects the operator at the point of operation before the machine cycle can be started. Gates are, in many instances, designed to be operated with each machine cycle.

Figure 47 shows a horizontal injection molding machine with a gate. To be effective, the gate must be interlocked so that the machine will not begin a cycle unless the gate guard is in place. It must be in the closed position before the machine can function.

Figure 47. Horizontal injection molding machine with gate.

Figure 48 shows a gate on a power press. If the gate is not permitted to descend to the fully closed position, the press will not function.

Figure 48. Power press with gate.

Another potential application of this type of guard is where the gate is a component of a perimeter safeguarding system. Here the gate may provide protection not only to the operator but to pedestrian traffic as well.

Safeguarding by Location/Distance

The examples mentioned below are a few of the numerous applications of the principle of safeguarding by location/distance. A thorough hazard analysis of each machine and particular situation is absolutely essential before attempting this safeguarding technique.

To consider a part of a machine to be safeguarded by location, the dangerous moving part of a machine must be so positioned that those areas are not accessible or do not present a hazard to a worker during the normal operation of the machine. This may be accomplished by locating a machine so that the hazardous parts of the machine are located away from operator work stations or other areas where employees walk or work. This can be accomplished by positioning a machine with its power transmission apparatus against a wall and leaving all routine operations conducted on the other side of the machine. Additionally, enclosure walls or fences can restrict access to machines. Another possible solution is to have dangerous parts located high enough to be out of the normal reach of any worker.

The feeding process can be safeguarded by location if a safe distance can be maintained to protect the worker's hands. The dimensions of the stock being worked on may provide adequate safety.

For instance, if the stock is several feet long and only one end of the stock is being worked on, the operator may be able to hold the opposite end while the work is being performed. An example would be a single-end punching machine. However, depending upon the machine, protection might still be required for another personnel.

The positioning of the operator's control station provides another potential approach to safeguarding by location. Operator controls may be located at a safe distance from the machine if there is no reason for the operator to tend it.

Feeding the Ejection Methods to Improve Operator Safety

Many feeding and ejection methods do not require the operator to place his or her hands in the danger area. In some cases, no operator involvement is necessary after the machine is set up. In other situations, operators can manually feed the stock with the assistance of a feeding mechanism. Properly designed ejection methods do not require any operator involvement after the machine starts to function.

Some feeding and ejection methods may even create hazards themselves. For instance, a robot may eliminate the need for an operator to be near the machine but may create a new hazard itself by the movement of its arm.

Using these feeding and ejection methods does not eliminate the need for guards and devices. Guards and devices must be used wherever they are necessary and possible in order to provide protection from exposure to hazards.


Types of feeding and ejection methods...

Automatic feeds reduce the exposure of the operator during the work process, and sometimes do not require any effort by the operator after the machine is set up and running.

In Figure 49, the power press has an automatic feeding mechanism. Notice the transparent fixed enclosure guard at the danger area.

Figure 49. Power press with automatic feed

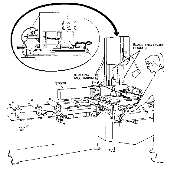
Figure 50 shows a saw with an automatic indexing mechanism that moves the stock a predetermined distance for each cut. The traveling head automatically recycles for each cut.

Figure 50. Saw with automatic indexing mechanism and traveling head.

With semiautomatic feeding, as in the case of a power press, the operator uses a mechanism to place the piece being processed under the ram at each stroke. The operator does not need to reach into the danger area, and the danger area is completely enclosed.

Figure 51 shows a chute feed. It may be either a horizontal or an inclined chute into which each piece is placed by hand. Using a chute feed on an inclined press not only helps center the piece as it slides into the die, but may also simplify the problem of ejection.

Figure 51. Power press with chute feed.

A plunger feed is shown in Figure 52. The blanks or pieces are placed in the nest one at a time by the plunger with pushes them under the slide. Plunger feeds are useful for operations on irregularly shaped workpieces which will not stack in a magazine or will not slide easily down a gravity chute. The mechanism shown is mechanically connected to the press tripping mechanism. When the plunger is pushed in, pin "B" is allowed to rise up into hole "A," allowing yoke "C" to release so the press can be tripped.

Figure 52. Power press with plunger feed.

Figure 53 shows a plunger and magazine feed. Slot "A" must be in alignment with interlock "B" before the press can be tripped.

Figure 53. Power press with plunger and magazine feed

The sliding die in Figure 54 is pulled toward the operator for safe feeding and then pushed into position under the slide prior to the downward stroke. The die moves in and out by hand or by a foot lever. The die should be interlocked with the press to prevent tripping when the die is out of alignment with the slide. Providing "stops" will prevent the die from being inadvertently pulled out of the slides.

Figure 54. Power press with sliding die.

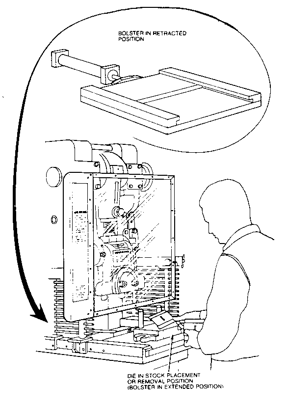
Figure 55 shows a sliding bolster. The press bed is modified with a hydraulically or pneumatically controlled bolster that slides in when "start" buttons are depressed, and out when the stroke is completed.


Figure 55. Power press with sliding bolster

Figure 56 shows a double-dial feed. The dials revolve with each stroke of the press. The operator places the part to be processed in a nest on the dial which is positioned in front of the die. The dial is indexed with each upstroke of the press to deliver the nested part into the die.

Automatic ejection may employ either an air-pressure or a mechanical apparatus to remove the completed part from a press. It may be interlocked with the operating controls to prevent operation until part ejection is completed. This method requires additional safeguards for full protection of the operator.

Figure 56. Power press with double-dial feed

As shown in Figure 57, the pan shuttle mechanism moves under the finished part as the slide moves toward the "up" position. The shuttle then catches the part stripped from the slide by the knockout pins and deflects it into a chute. When the ram moves down toward the next blank, the pan shuttle moves away from the die area.

Figure 57. Shuttle ejection mechanism.

Figures 58 and 59 show air ejection and mechanical ejection mechanisms, respectively. Note: Air ejection methods often present a noise hazard to operators.

Figure 58. Air ejection.

Figure 59 Mechanical ejection.

Figure 60 shows a semiautomatic ejection mechanism used on a power press. When the plunger is withdrawn from the die area, the ejector leg, which is mechanically coupled to the plunger, kicks the completed work out.

Figure 60. Semiautomatic ejection mechanism.

Essentially, robots perform work that would otherwise have to be done by an operator. They are best used in high-production processes requiring repeated routines where they prevent other hazards to employees. However, they may create hazards themselves, and if they do, appropriate guards must be used.

Figures 61, 62, and 63, respectively, show a type of robot in operation, the danger areas it can create, and an example of the kind of task (feeding a press) it can perform.

Figure 61. Robot movement capability.

Figure 62. Potential danger areas in robot envelope.

Figure 63. Using barrier guards to protect robot envelope.




Feeding and Ejection Methods

Method Safeguarding Action Advantages Limitations

Automatic Feed Stock is fed from rolls, indexed by machine mechanism, etc. Eliminates the need for operator involvement in the danger area Other guards are also required for operator protection -- usually fixed barrier guards

Requires frequent maintenance

May not be adaptable to stock variation

Semiautomatic Feed Stock is fed by chutes, movable dies, dial feed, plungers, or sliding bolster

Automatic Ejection Work pieces are ejected by air or mechanical means May create a hazard of blowing chips or debris

Size of stock limits the use of this method

Air ejection may present a noise hazard

Semiautomatic Ejection Work pieces are ejected by mechanical means which are initiated by the operator Operator does not have to enter danger area to remove finished work Other guards are required for operator protection

May not be adaptable to stock variation

Robots They perform work usually done by operator Operator does not have to enter danger area

Are suitable for operations where high stress factors are present, such as heat and noise
Can create hazards themselves

Require maximum maintenance

Are suitable only to specific operations

Miscellaneous Aids

While these aids do not give complete protection from machine hazards, they may provide the operator with an extra margin of safety. Sound judgment is needed in their application and usage. Below are several examples of possible applications.

An awareness barrier does not provide physical protection, but serves only to remind a person that he or she is approaching the danger area. Generally, awareness barriers are not considered adequate when continual exposure to the hazard exists.

Figure 64 shows a rope used as an awareness barrier on the rear of a power squaring shear. Although the barrier does not physically prevent a person from entering the danger area, it calls attention to it. For an employee to enter the danger area, it calls attention to it. For an employee to enter the danger area, an overt act must take place, that is, the employee must either reach or step over, under or through the barrier.

Figure 64. Rear view of power shearing square.

Figure 65 shows an awareness barrier on a stitching machine.

Figure 65. Awareness barrier on stitching machine.

Shields, another aid, may be used to provide protection from flying particles, splashing cutting oils, or coolants. Figure 66 shows several potential applications.

Figure 66. Other applications of shields.

Special hand tools may be used to place or remove stock, particularly from or into the point of operation of a machine. A typical use would be for reaching into the danger area of a press or press brake. Figure 67 shows an assortment of tools for this purpose. Holding tools should not be used instead of other machine safeguards; they are merely a supplement to the protection that other guards provide.

Figure 67. Holding tools.

A push stick or block, such as those in Figure 68, may be used when feeding stock into a saw blade. When it becomes necessary for hands to be in close proximity to the blade, the push stick or block may provide a few inches of safety and prevent a severe injury. In the illustration the push block fits over the fence.

Figure 68. Use of push stick or push block.



Chapter 3